浏览数量: 0 作者: 本站编辑 发布时间: 17-02-2025 来源: 本站
您房屋的安全性仅与最弱的联系一样强 - 在许多家庭中,那个薄弱的环节就是门。如果您依靠基本锁来确保木门安全,则可能是时候升级了。 5分锁定系统提供了增强的保护,使您安心,使入侵者更加艰难。
本指南将涵盖有关木门的5点锁定系统所需的所有信息,包括它们是什么,工作方式以及为什么值得投资。无论您是升级房屋还是从头开始建造,了解此高级锁定系统都可能是提高安全性的关键。
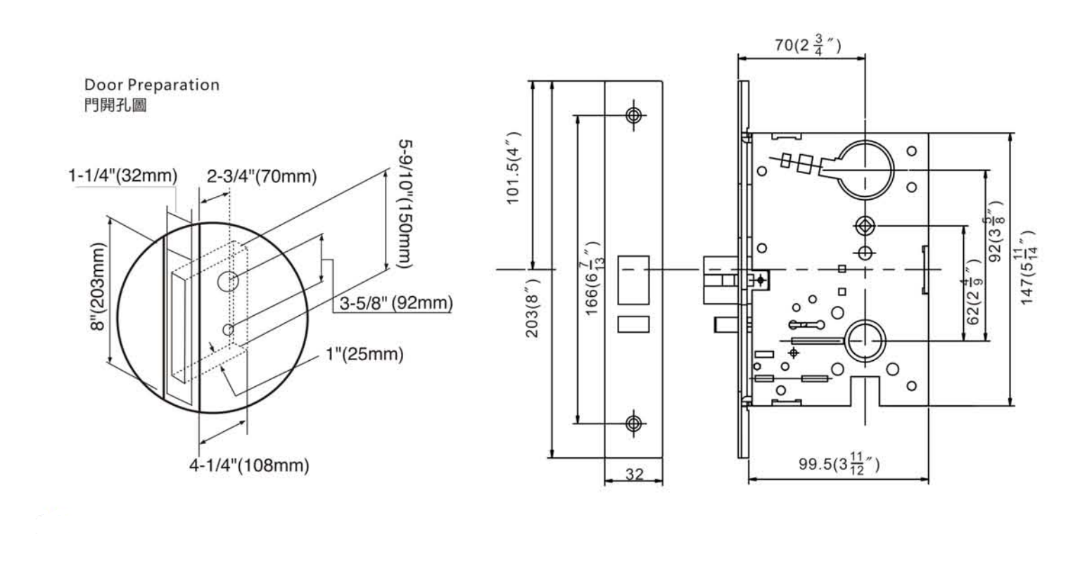
5分锁定系统 是 一种高级机制,可将您的木门固定在五个不同的点上,而不仅仅是一个(如传统锁)。这些系统通常包括以下锁定位置:
●中心的主闩锁(手柄所在的位置)
● 顶部的两个锁
● 底部的两个锁
订婚时,系统同时锁定了所有五个点,以确保门牢固地固定在其框架内。这可以沿整个门的整个长度均匀地分配力,从而使其更具挑战性。
这种类型的锁定系统通常在入口门上找到,尤其是在安全性优先级的区域。房屋,办公室甚至企业越来越依赖这些系统。

升级到5分锁定系统具有许多优势。这就是为什么房主和企业进行转换的原因:
5点锁定系统的主要优势是其出色的安全性。传统的单点锁易于篡改或妥协,尤其是通过蛮力方法(例如踢门)。一个5分系统将压力跨多个点分配,使其更强大,也不太容易受到强迫进入。入侵者将在锁中操纵或破裂的时间更加困难。
随着时间的流逝,由于环境因素(如湿度或磨损),木门可能会扭曲或造成未对准。 5点锁定系统通过确保门沿其整个长度牢固地固定在适当的位置,从而提供了增强的稳定性。这可以防止吃水,改善绝缘材料,甚至可以增加木门的寿命。
许多保险提供者认识到高级锁定机制的安全性。安装5点锁定系统可以降低您的家庭保险费,因为它降低了闯入和财产盗窃的可能性。
笨拙的锁定日子已经一去不复返了。现代的5点锁定系统旨在与木门无缝集成,提供功能和样式。它们具有多种饰面和设计,可确保您不必为安全而妥协美学。
尽管结构复杂,但一个5点锁定系统对用户友好。手柄的钥匙或举起单一转弯,所有五个锁定点都会同时参与或脱离。这种便利使锁定和打开门的锁定轻而易举。
了解该高级系统背后的机制很有帮助。大多数5分锁定系统都包含了通过以下操作控制的多点锁定机制:
1。抬起门把手 - 举起手柄会激活不同的锁定点(顶部,底部和中心)处的螺栓和钩子。
2。旋转钥匙 - 抬起手柄后,钥匙将固定所有五个锁定点,以确保最大的安全性。
只需扭转过程 - 将钥匙转换为解锁所有点,然后将手柄降低以将螺栓和钩子重置为开放位置。
现代系统通常使用高质量的材料(例如不锈钢)来确保耐用性和安全操作。

并非所有的 5点锁定系统都 相等,为您的门选择合适的锁定系统涉及考虑一些关键因素:
木门需要一个锁定系统,该系统可以处理日常磨损,同时承受外部压力。寻找由高度不锈钢或黄铜制成的系统,因为这些材料对生锈和腐蚀具有抗性。
并非每个锁定系统都适合木门,尤其是当您的门是定制尺寸或设计时。确保您选择的系统专门为与木材一起使用。一些系统还包括可调节设置,以说明随着时间的推移自然换档。
为了获得最大的安全性,请选择具有BS 3621(通常在英国所需的)或您所在地区等效标准等认证的5点锁定系统。这些认证表明该锁已经过严格测试,以确保安全性和耐用性。
选择一个补充木门的设计。许多系统都提供抛光的镀铬,哑光黑色或古董青铜等饰面,使您可以匹配房屋的风格。
尽管可以安装更简单的锁,但5点锁定系统通常需要专业知识。许可的安装程序将确保对机制对齐和校准,以获得最佳性能。
现实:虽然5点系统通常在高安全性环境中使用,但它们是任何房主的明智投资。提高安全性,更好的门对齐和增加的转售价值使其适合所有类型的房屋。
现实:现代5点锁定系统的设计考虑了便利。您可以用一把钥匙和简单的手柄动作操作它们。
现实:许多5点系统都可以改装到现有的木门上,这意味着您不需要投资全新的门来升级锁。
家庭安全正在发展,智能技术开始与5点锁(例如5点锁)合并。现在,一些高级模型包括无钥匙进入,遥控器以及与智能家庭安全系统集成的功能。想象一下,如果有人篡改了手机,能够从手机上锁定和解锁您的门或收到警报。这些创新可能会定义5点系统的未来。
5点锁定系统 的简单性和有效性 使其成为您可以对房屋进行的最佳投资之一。从增加的安全性到美学上诉,收益显然超过了成本。如果您准备增强木门的功能和安心,则需要使用5点锁定系统。
朝着更智能的安全性迈出下一步的步骤 - 浏览认证的选项或联系专业安装程序,以探索该系统如何提升房屋的保护。